(!)Internet Explorer 11は、2022年6月15日マイクロソフトのサポート終了にともない、当サイトでは推奨環境の対象外とさせていただきます。
ねじ・ボルト・ナット・ワッシャ・カラー
六角穴付きボルト
脱落防止ねじ
貫通穴付ボルト
六角ボルト
小ねじ
止めねじ
座金組込みねじ
蝶ボルト・つまみねじ・化粧ビス
ストリッパ・リーマ・ショルダーボルト
でんでんボルト
アイボルト
樹脂ねじ・セラミックねじ
全ねじ・スタッドボルト
いたずら防止ねじ
配管Uボルト
ユニファイねじ・インチねじ・ウィットねじ
マイクロねじ・微細ねじ
タッピングねじ・タップタイト・ハイテクねじ
ドリルねじ
四角ボルト・丸ボルト
ねじ用アクセサリー・カバーキャップ
座金(ねじ用ワッシャ)
ナット
アンカーボルト
リベット・鋲
インサート
建材用スクリュー
ねじ用工具類
ワッシャ・カラー
シム
スナップピン・割りピン
マシンキー
止め輪・リング
スクリュープラグ
アジャスタ
ノックピン・段付ピン・スプリングピン
素材(金属・樹脂・ゴム・スポンジ・ガラス)
切削工具
エンドミル
フライスチップ・ホルダー
ヘッド交換式工具
自由指定直刃エンドミル
専用カッター
旋削チップ
旋削ホルダ
完成バイト・ロウ付けバイト
ローレット
ドリル
ドリル関連部品・用品
タップ
タップ関連部品・用品
ダイス
ダイス関連部品・用品
ねじ山修正・除去工具
タップ・ダイスセット
ねじ切りカッター
リーマ
面取りカッター
面取りカッター関連部品・用品
切削工具関連備品
ホールソー・コアドリル・クリンキーカッター
ホールソー・コアドリル・クリンキーカッター関連部品
磁気ボール盤カッター
ボーリングシステム
ツーリングホルダ・ツーリングチャック
アングルヘッド
コレット
スリーブ・ソケット(ツーリング)
アーバ
ツーリング関連部品・用品
加工物基準位置測定器
芯出しバー
刃先位置測定器
ツールプリセッター
テストバー
プリセッター・芯出し・位置測定工具関連部品・用品
クーラントライナー・クーラントシステム
エアージェット・エアークーラー
クーラント関連部品・用品
円テーブル・ロータリーテーブル
測定工具・計測機器
ノギス
pH計・導電率計
ノギス関連アクセサリ
マイクロメーター
検知管
ダイヤルゲージ
ダイヤルゲージ関連部品・用品
ピンゲージ
ピンゲージ関連部品・用品
ハイトゲージ
流量計
ハイトゲージ関連部品・用品
リングゲージ
デプスゲージ
シックネスゲージ・すきまゲージ
内径測定器
ゲージ
スコヤ
定規
コンベックス
巻尺
はかり
角度計
光学機器
水平器
レーザー測定器
マグネット関連
定盤
数取器・カウンタ
ガス測定器・検知器
ケガキ用品
ストップウォッチ・タイマー
テンションゲージ
環境測定器
温度計・湿度計
圧力計
顕微鏡
天秤・天秤関連品
分銅
硬度計
振動計・回転計
水質・水分測定器
粘度計
膜厚計・探知器
偏心測定器
表面粗さ測定器
音検出器
測定データ機器
アースメータ(接地抵抗計)
テスタ・マルチメータ
オシロスコープ
クランプメータ
検相器・検電器・導通チェッカ
絶縁抵抗計
ネットワークテスタ・ケーブルテスタ・光ファイバ計測器
安全試験器
回路素子測定器
信号源・ファンクションジェネレータ
電源装置
高周波測定器(RF測定器)
計測機器関連品
電圧計・電流計
電力計
その他電気計測器
手作業工具
スパナ・めがねレンチ・ラチェットレンチ
六角棒レンチ
モンキーレンチ
トルクスレンチ
ソケットレンチ
トルクレンチ
トルクレンチ関連部品・用品
トルク測定器
ドライバー
ドライバー関連部品・用品
トルクドライバー
トルクドライバー関連部品・用品
プライヤー
プライヤー関連部品
ニッパー
ニッパー関連部品
ペンチ
ペンチ関連部品
ハンマー
工具セット・ツールセット
工具セット・ツールセット関連部品・用品
カッターナイフ
タガネ
ドライバービット
ドライバービット関連用品
プーラ
刻印・ポンチ
車輌整備用工具
水道・空調配管用工具
切断用工具
絶縁工具
板金用工具
防爆工具
かしめ工具
電設工具
バール・テコ
ソケットビット
ソケットアダプター
ピンセット
アルミフレーム・フレームキャップ・溝カバーのラインナップと商品特長を詳しく紹介します。
アルミフレームは産業用部材としてFA装置のカバーや架台の骨組みに利用されたり、
位置決めに便利なレール構造を利用した冶具に利用されたりと、さまざまな用途にご使用いただける商品となります。
新たにアルミフレームのご使用をご検討中の方は、アルミフレームを使用するメリットについて紹介している「ミスミのアルミフレームについて」をご覧ください。
アルミフレーム
フレームキャップ
溝カバー
フレームタイプを表します。
①フレーム溝のサイズ(シリーズ)を表します。
②フレームの縦横の幅を表します。
③フレームの長さを表します。
アルミフレームにはさまざまなサイズがあります。
サイズが大きくなるほど、許容荷重も上がります。

| シリーズ | 5シリーズ | 6シリーズ | 8シリーズ | 8-45シリーズ |
|---|---|---|---|---|
| 溝幅(mm) | ![]() |
![]() |
![]() |
![]() |
| 基準画数 | 20/25/40角 | 30/50/60角 | 40/80角 | 45/90角 |
| 使用できる ボルトサイズ |
M3/M4/M5 | M3/M4/M5/M6 | M3/M4/M5/M6/M8 | M3/M4/M5/M6/M8 |
| 特長 | 小型カバーや小物部品のラック、安全柵等力のかからない箇所での使用に適している。 | 中型カバーや、小型設備架台、コンベアフレーム等様々な用途に適している。 | 大型クリーンブースや設備架台、構造物等重さのかかる箇所での使用に適している。 | 大型クリーンブースや設備架台、構造物等重さのかかる箇所での使用に適している。より強度が必要な用途向け。 |
| ラインナップ |
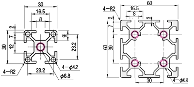
角数とは
角数とは、アルミフレームの幅のサイズを指します。
例えば6シリーズの30角は幅30mmのアルミフレームになります。
6シリーズの60角は30角のフレームを2つくっつけたようなイメージです。
溝が2列になります。

アルミフレームを選定した時点で、使用可能な周辺部品のシリーズが決まります。
周辺品部品の選定時には、シリーズを目安にしてください。
例:6シリーズのアルミフレーム HFS6-3030 で製作する場合
ただし、8シリーズと8-45シリーズの両方で取り付け可能なものが多数あります
HFS8シリーズに取り付け可能
HFS8-45シリーズに取り付け可能
HFS8シリーズに取り付け可能
HFS8-45シリーズに取り付け可能
強度や材質によってさまざまなタイプのご用意がございます。
同じ溝幅(シリーズ)であればサイズや穴の大きさは変わらないため、強度を必要とする部分だけ高剛性タイプを使用することもできます。
目的に合わせてご選定ください。
ミスミのアルミフレームは同じ角数でも断面が異なります。
| 標準アルミフレーム | 軽量アルミフレーム | 高剛性アルミフレーム | ||||||
|---|---|---|---|---|---|---|---|---|
| HFSシリーズ | EFSシリーズ | NFS(NEFS) シリーズ |
HFSLシリーズ | NFSLシリーズ | GFSシリーズ | GNFSシリーズ | ||
| 断面写真 | ![]() |
![]() |
![]() |
![]() |
![]() |
![]() |
![]() |
|
| 材質 | A6N01SS-T5 | A6N01SS-T5 | A6063S-T5 | A6N01SS-T5 | A6063S-T5 | A6061SS-T6相当 | A6063S-T6相当 | |
| 特長 | スタンダードな断面形状です。 | HFSシリーズと同等の剛性を維持しつつ、軽量化・低価格化を実現したフレームです。 | 材質変更により大幅なプライスダウンを実現。強度(*)はHFS・EFSシリーズと同じです。 | 軽量・安価を追及したフレームです。強度よりも軽量・安価を優先する場合に適します。 | HFSLを材質変更することで、さらにプライスダウンを実現。強度(*)HFSLシリーズと同じです。 | 剛性を追及した肉 厚のフレームです。高い荷重を受ける筐体に適します。 | 耐荷重・剛性フレームの材質変更により大幅なプライスダウンを実現。強度(*)はGFSシリーズと同じです。 | |
| 表面処理 | 白アルマイト (HFS) 黒アルマイト (HFSB) クリア塗装(CAF) 焼付塗装(黄色) (HFSY) |
白アルマイト (EFS) 黒アルマイト (EFSB) |
白アルマイト 黒アルマイト |
白アルマイト 黒アルマイト |
白アルマイト | 白アルマイト | 白アルマイト | |
| 対応 シリーズ |
5 | ○ | - | ○ | - | - | - | - |
| 6 | ○ | ○ | ○ | ○ | ○ | |||
| 8 | ||||||||
| 8-45 | ||||||||
* 断面2次モーメントはHFS・EFS・HFSLシリーズとそれぞれ同等ですが、耐力・引張り強度は若干低下します。
| 型番例 | 塗装 |
|---|---|
| HFS6-3030 | 白アルマイト |
| HFSB6-3030 | 黒アルマイト |
| CAF6-3030 | クリア塗装※ |
| HFSY6-3030 | 焼付塗装(黄色) |
※アルマイト処理の上に透明塗装がされています。表面につやがあります。
| 型番例 | 特長 | 実長 | |
|---|---|---|---|
| 固定長 | KNEFS6-3030-4000 (K~始まる) |
お客さまにて加工していただく前提の製品です。ミスミでの追加工対応不可の商品です。固定長フレーム(有効長さ4000mm)とは、実際に使用できる有効長さが4000mm以上あるフレームという意味です。掴み代を含んだ実寸は4000mm以上となります(数十mm程度長くなります)。お客さまのお好みの長さに切断してご使用ください。 |
1000→1000mm |
| 指定長 | NEFS6-3030-4000 | 追加工をつけてご注文いただくことを想定した製品です。 |
指定した長さ |
| 種類 | 表面面取り加工 | 曲げフレーム | 溝幅混合 | R形状 | L型 | 角度付き | 三角 |
|---|---|---|---|---|---|---|---|
| 画像 | ![]() |
![]() |
![]() |
![]() |
![]() |
![]() |
![]() |
| 特長 | 上下面にフライス加工をしています。リニアガイドなどにご使用いただけます。 |
HFS,HFSFを曲げ加工したアルミフレームです。 |
5シリーズと6シリーズの溝幅混合タイプと6シリーズと8シリーズの混合タイプのご用意があります。 |
R形状のアルミフレームです。 |
L形状のアルミフレームです。 |
角度付きのアルミフレームです。 |
三角形状のアルミフレームです。 |
| シリーズ | 5シリーズ 6シリーズ 8シリーズ 8-45シリーズ |
5シリーズ 6シリーズ 8シリーズ |
5-6シリーズ 6-8シリーズ |
5シリーズ 6シリーズ 8シリーズ 8-45シリーズ |
5シリーズ 6シリーズ 8シリーズ 8-45シリーズ |
5シリーズ 6シリーズ 8シリーズ 8-45シリーズ |
6シリーズ 8シリーズ |
4面溝から1面溝までご選定いただけます。
| 4面溝 | 3面溝 | 2面溝 | 2面溝(対向) | 1面溝 |
|---|---|---|---|---|
![]() |
![]() |
![]() |
![]() |
![]() |
基本的なアルミフレーム以外にも、さまざまなアルミフレームがあります。用途に合わせてご選定ください。
| 製品名 | アルミフレーム | フェンスフレーム | フラットフレーム | 汎用フレーム | 扉用フレーム | ブラケット用 アルミフレーム |
|---|---|---|---|---|---|---|
| 写真 | ![]() |
![]() |
![]() |
![]() |
![]() |
![]() |
| 特長 | 基本的なアルミフレーム。多様なラインナップを取りそろえております。アクセサリも充実。 |
アルミフレームと組み合わせて簡単にフェンスを作成できます。 |
治具台やワークの固定としてご利用いただけます。 |
チャンネル・アングル・フラットバーなど、さまざまな用途でお使いいただけます |
扉ユニット用のフレーム単体商品です。5・6シリーズに対応しております。 |
アルミフレームの固定および締結補強にご利用いただけます。 |
| 材質 | A6N01SS-T5 |
A6063S−T5 |
A6N01SS−T5 |
A6063S−T5 |
A6N01SS-T5 |
A6N01SS−T5相当 |
| 代表 タイプ |
NSF | HFSFES | HFSQN | HFHC | HFTF | HFLBT |
| 使用例 | - | - |

特長
フレームの端面を保護するキャップです。
追加工なしで取り付けることができます。
キャップをかぶせるタイプとボルトで止めるタイプがあります。
各シリーズのアルミフレームに対応するフレームキャップをお探しの方はこちらから
キャップ止めは簡単便利な商品です。ボルト止め商品は、キャップがとれる心配がなくなります。
| 種類 | 【FA新商品】 フレームキャップ |
ボルト止めタイプ | コーナー3面キャップ | 高剛性用プレートタイプ | 端面プレート |
|---|---|---|---|---|---|
| 写真 | ![]() |
![]() |
![]() |
![]() |
![]() |
| キャップ種類 | 正方形/長方形/R形状/L形状/角度付き | 正方形/長方形 | 3面 | 正方形/長方形 | R形状 |
| 固定方法 | キャップ止め | ボルト止め | ボルト止め | ボルト止め | ボルト止め |
| 付属品 | - | ボルトセット | ボルトセット | ボルト別売り | ボルト別売り |
| 素材 | 樹脂 | 樹脂 | 樹脂 | ステンレス | ステンレス |
| 対応フレーム | 5シリーズ 6シリーズ 8シリーズ 8-45シリーズ |
5シリーズ 6シリーズ 8シリーズ 8-45シリーズ |
5シリーズ 6シリーズ 8シリーズ |
高剛性タイプ用(GNFS、GFS) 6シリーズ 8シリーズ 8-45シリーズ |
R形状 HFSR6-606030 HFSR5-404020 |
| 代表製品 | 【FA新商品】6シリーズ(溝幅8mm) |
6シリーズ(溝幅8mm) アルミフレーム用フレームキャップ |
5シリーズ(溝幅6mm) 20角アルミフレーム用コーナー3面キャップ |
8-45シリーズ(溝幅10mm)高剛性用プレートタイプ |
6シリーズ(溝幅8mm) アルミフレーム用端面プレート |
| アルミフレーム への追加工 |
不要 | 不要 | 不要 |
フレームキャップの厚み分、アルミフレームの長さを短くします。

<例 ブラケット接続:1辺300mmの長さで接続する場合>
A:フレームキャップは飛び出る
型番をHFS6-3030-300 と 300mm長さで指定。
B:フレームキャップは飛び出ないで面いちとなる
型番をHFS6-3030-294 と フレームキャップの厚み分短く指定。
フレームキャップの厚み分、アルミフレームの長さを短くし、
さらに、追加工:FR/FLでレンチ穴の位置を移動させます。
※追加工FR/FLは3mmの穴位置を移動させます。フレームキャップの厚みが3mmの場合有効です。

<例 スクリュージョイント接続:1辺300mmの長さで接続する場合>
C:フレームキャップは飛び出る
型番をHFS6-3030-300-RCV-LCVと300mm長さで左右にレンチ穴を指定。
D:フレームキャップは飛び出ないで面いちとなる
型番をHFS6-3030-294-RCV-LCV-FR-FL と フレームキャップの厚み分短く指定し、
左右にレンチ穴とレンチ穴移動を指定。

フレーム溝にごみや塵が溜まることを防ぎます。
反転してパネルやプレート受けとしてもご使用いただけます。
| 製品 | 溝カバー | ||||
|---|---|---|---|---|---|
| 種類 | 樹脂ソフト | 軟質塩化ビニール | スポンジ | アルミ | エラストマ |
| 写真 | ![]() |
![]() |
![]() |
![]() |
![]() |
| 断面形状 例:6シリーズ |
![]() |
![]() |
![]() |
![]() |
![]() |
| 特長 | 一般的な溝カバー、プレート受けカバーとしても使える |
防塵性に優れる |
曲げフレームにも対応 |
アルミフレームと同色 |
耐熱性に優れる |
| 対応フレーム | 5シリーズ |
5シリーズ |
5シリーズ |
5シリーズ |
5シリーズ |
| 製品 | 滑り止めカバー | シールカバー | 安全保護カバー | 安全保護カバー2面 | パネルスペーサ | マグネットキャッチ |
|---|---|---|---|---|---|---|
| 写真 | ![]() |
![]() |
![]() |
![]() |
![]() |
![]() |
| 使用例 | ![]() |
![]() |
![]() |
![]() |
![]() |
![]() |
| 特長 | 溝カバー兼表面の滑り止め材です。 |
溝カバー兼アルミフレームのシーリング材です。 |
溝カバー兼アルミフレーム表面の保護材です。 |
キャスタによる移動時の衝突に備えます。 |
パネルをアルミフレーム面位置に固定する際専用の溝カバー。パネル板厚3・5mmに対応しております。 |
アルミフレーム表面に張り付け可能なマグネットキャッチです。 |
| 対応フレーム | 5シリーズ |
5シリーズ |
5シリーズ |
6シリーズ |
5シリーズ |
6シリーズ |

全ての溝カバーは後入れで溝の上から装着を行います。
樹脂製の製品はハサミなどで簡単にカットでき、手で取り付け可能です。
アルミ製のみ、ゴムや樹脂のハンマーを使用して押し込みます。